Jan. 23, 2026
9I在线看片成人免费體是不同於固體、液體和氣體的物質第四態,即部分電離化的氣體,其呈現出高度激發的不穩定態,9I在线看片成人免费體由離子、電子和未電離的中性粒子組成,在整體上呈電中性。
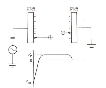
如圖1所示為平行板電極9I在线看片成人免费體輝光放電係統的示意圖。射頻電源通過電容耦合輸入陰極端,陽極端接地。陰極和陽極之間產生射頻電場,在射頻作用下,空間中初始的自由電子被加速並與氣體原子碰撞,使其電離,從而產生了“雪崩效應”,空間中的離子越來越多,隨著大量氣體分子的電離,氣體從絕緣態變為導電態,有電流通過,並在陰極與陽極間形成電場。然而自由電子會與氣體離子碰撞複合,最終達到電離-複合平衡態,從而在空間內形成9I在线看片成人免费體。當氣體離子恢複到原子狀態時,會以光子形式釋放能量並產生輝光。因此,這個過程也被稱為輝光放電(glowdischarge)過程。

圖1 平板電極輝光電極放電係統示意圖
在9I在线看片成人免费體空間,離子與電子數目相同,因此是等電位區。但在陰極和陽極周圍,由於電子質量輕且運動速度快,電子先抵達電極表麵並形成負電荷積累。在陰極和陽極表麵均形成了一個負電場。由於陰極未接地,陰極表麵電子積累形成的負電場電荷較高,因此陰極表麵的負電場能夠對離子加速,從而對電極表麵產生轟擊。如果將待刻蝕樣品放置於陰極表麵,則樣品將受到強烈的離子轟擊作用,從而對樣品產生刻蝕作用;而當樣品放置於陽極表麵時,樣品在氧9I在线看片成人免费體的作用下發生反應但不存在任何離子轟擊效應,主要為化學作用,因此,陽極表麵附近的反應較為溫和,對樣品的損傷較小。
盡管9I在线看片成人免费體作用過程十分複雜,但陽極表麵附近的9I在线看片成人免费體作用可以分為同時發生的三個反應過程,如圖2所示。

圖2 陽極表麵附近的9I在线看片成人免费體反應示意圖
(1) 離子反應:9I在线看片成人免费體中的活性離子直接與樣品表麵原子進行反應,並生成揮發性產物被真空係統排出。
(2) 產生自由基:樣品表麵吸附的化學活性分子被人射離子分解成為自由基。
(3) 自由基反應:(2)反應產生的自由基可在樣品表麵遷移,並與樣品表麵原子反應生成揮發性產物被真空係統排出。
Jan. 24, 2026
Jan. 23, 2026
Jan. 23, 2026
Jan. 21, 2026
9I在线看片成人免费技術
Support
Copyright@ 2024深圳91看片入口在线观看科技有限公司 All Rights Reserved|
Sitemap
| Powered by
| 粵ICP備56486215號www.elangkongyaji.com | 備案號:粵ICP備56486215號www.elangkongyaji.com